|
레이져
마이크로메타 (LASER MICROMETER)-XLS80
|
Ultra
accurate, high speed Laser
Gauge
for
contact-less diameter measurement,
featuring built-in electronics
and
Ethernet/Rs232/Rs485
interface
- 40
mm measuring range
- 0.1
μm repeatability
- 1200
Hz scanning frequency
- Outstanding
single shot repeatability
- Excellent
linearity
- Permanent
self calibration
- Thermal
drift self-compensation
- 3
years guarantee
- Fully
re-programmable
- Direct
connection to PC, PLC
e NC
It’s
an ideal Intelligent Diameter
Sensor for
the
on-line control of products
like:
- Ground
or turned parts
- Metal
tubes and bars
- Plastic
extruded tubes
- Electric
cables and conductors
- Glass
tubes and rods
|

|
Type
of gauge
|
XLS40/200/A
|
XLS40/200/B
|
XLS40/1200/A
|
XLS40/1200/B
|
|
Measuring
Field (mm)
|
40
|
|
Measurable
Diameters (mm)
|
0.1
÷ 38
|
0.06
÷ 38
|
0.1
÷ 38
|
0.06
÷ 38
|
|
Resolution
(Selectable) (μm)
|
10
/ 1 / 0.1 / 0.01
|
|
Linearity
(Centred Product) (μm)
|
±
0.5 (1)
|
|
Linearity
(in the Measuring Plane)
(2)(μm)
|
±
0.5
|
|
Side
Linearity (3) (μm/mm)
|
±
0.5
|
|
Repeatability
(T=1s, ±3σ) (μm)
|
±
0.2
|
±
0.1
|
|
Single
Shot Repeatability (±3σ)
(μm)
|
±
1.75
|
±
2.5
|
|
Beam
Spot Size (s,l) (4) (mm)
|
0.08
x 2
|
0.06
x 0.1
|
0.08
x 2
|
0.06
x 0.1
|
|
Side
Dither of the Scanning Plane (mm)
|
±
0.4
|
±
0.1
|
|
Scanning
Frequency (Hz)
|
200
|
1200
|
|
Scanning
Speed (m/s)
|
120
|
180
|
|
Gauge
Thermal Coefficient (5) (μm/mm°C)
|
-0.0109
|
|
Power
Supply
|
24
VDC; 0.3 A (1 A peak)
|
|
Laser
Source
|
VLD
(Visible Laser Diode); λ
= 650 nm
|
|
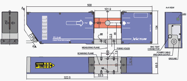
Dimensions (mm)
|
500
x 134 x 68.5
|
|
Weight (kg)
|
4.2
|
|
Operating
Temperature Range (°C)
|
0
÷ 50
|
|
Storage
Temperature (°C)
|
-20
÷ +70
|
|
Atmosferic
Humidity
|
Max
85% (non-condensing)
|
|
Altitude (m)
|
0
÷ 3000 over sea level
|
|
Protection
|
IP65
(optical windows not included)
|
|
SPECIFICATIONS
IN ALS MODE, CONNECTED TO
A CE-10 OR IBU-10 EXTERNAL
UNIT
|
|
Type
of ALS compatible gauge
|
ALS40/200/A
|
ALS40/200/B
|
ALS40/400/A
|
ALS40/400/B
|
|
Resolution
(Selectable) (μm)
|
10
/ 1 / 0.1
|
|
Repeatability
(T=1s, ±3σ) (μm)
|
±
0.6
|
±
0.4
|
|
Single
Shot Repeatability (±3σ)
(μm)
|
not
specified
|
|
Scanning
Frequency (Hz)
|
200
|
400
|
|
Scanning
Speed (m/s)
|
120
|
Types
of measures, with standard software
Only
1 part in the measuring field, opaque
or transparent
Measured
dimensions: diameter and centre
position
Note:
other types of measures are possible
by loading dedicated
software
Measurement
processing
Instant
Values: simple average over n scans,
being n ≥ 1 programmable
Extreme
Values: Average, Max, Min and Range
= (Max-Min ) over k Instant Values,
being k ≥ 1 programmable
Input
/ Output
2
digital inputs / Rs232 and Rs485, max
115.2 kbaud / Ethernet 10 Base-T / ALS
Binary Video
Measurement
mode
Free-Running:
it processes continuously groups of
k Instant Values to compute the related
Extreme Values.
On-Command,
Single-Shot: after an external command,
it processes only 1 group of k Instant
Values to compute the related Extreme
Values. The external command is a rising
edge on a digital input or a command
message via Ethernet.
On-Command,
Continuous: during a time interval set
by an external command, it processes
all the measured Instant Values, to
compute their Extreme Values. The measuring
time is set by a logic high level on
a digital input and/or by Start/Stop
messages via Ethernet.
Auto-Sync:
like On-Command, Single-Shot, but the
measurement is automatically triggered
by a valid measurement condition (1
part in the measuring field), after
a programmable delay.
|